眼球摘除術的適應症為 1. 眼球內惡性腫瘤;2.眼球外傷;3.失明合併嚴重疼痛的眼球。
要將眼球移除,通常有三種術式,依疾病需要而施行
1. Eviseration:字義上直翻是取出內容物之義,即保留眼球最外圍的鞏膜(sclera)與外圍附著的眼肌;手術是直接打開角膜(cornea)與虹膜(iris),然後把鞏膜內的內容物取出(晶狀體、玻璃體等等...)。
2. Enucleation:字義上為把物品裡的"核"挖出,所以可以同理相推,就是把眼窩中的眼球取出,所以是把附著在鞏膜的眼肌剪斷,打開角膜(cornea)與虹膜(iris),把眼球取出,適用於只長在眼球內的腫瘤,這是在視網膜母細胞瘤(Retinoblastoma)的病人最常見的術式。
3. Exenteration: 字義直接翻譯是"臟器取出術",如果指的是眼部手術,即移除眼窩的內容物:眼球,眼球周圍的脂肪組織,眼肌,甚至眼瞼或周圍皮膚。
眼球摘除術(Enucleation)適用於在經局部治療仍無法保留眼球的病人,或是一開始就決定不做保留眼球的病人(如局部腫瘤太大,是 IIRC 【International Intraocular Retinoblastoma Classi fi cation】第四分期以上,或是主觀上家屬不願意保留)。在施行眼球摘除術時,會同時植入義眼球,下列連結的Youtube為眼球摘除術與義眼球植入術。
https://www.youtube.com/watch?v=Z9AbfaCmPG8
影片解說:
此病人非視網膜母細胞瘤的病人,所以會與實際的病人有差距,比如在5:28時,醫師可能是取病人自體的鞏膜(sclera)作為義眼球的外層並縫合,但是視網膜母細胞瘤的病人,應該不會使用鞏膜(怕有殘留癌細胞在鞏膜上),所以詳細的手術情況,請詢問您的醫師。
先打開結膜(conjunctiva)
0:43 撥開周圍組織,分離出眼肌
1:12 以手術線固定眼肌,並剪斷,直到六條眼肌同樣被撥離與固定其中的四條眼肌
4:05 以手術剪撥離眼球後方的組織,
4:40 拉出眼球,並剪斷視神經
4:50 測量眼窩大小
5:28 為義眼球的外層包裹一層物質,之所以義眼外面要有一層包裹,是為了減少之後義眼球"脫出"的風險,請參考下面義眼球的介紹。
6:36 劃出預定要縫合的眼肌位置
7:30 植入義眼球並縫合眼肌
8:19 縫合結膜,戴上保護性的透明墊片,最後會縫合眼皮以保護傷口。
一般而言,應該在術後2-3個禮拜會拆開眼皮的縫線,因為結膜上的縫線是可吸收線,所以不用拆線。約6-8周才建議裝上義眼片,眼球外觀至此比較正常。
義眼球植入後示意圖


義眼球
追溯義眼球的歷史,最早於1885年在英國,由Mules醫師開始施行此手術, 剛開始主要的目的是填充眼窩,避免眼窩塌陷後而導致的外觀上大小眼。剛開始使用的材料為玻璃或是金屬(如金、銀),之後是矽膠,直到20世紀中期,隨著材料學進步,發展出多孔性物質。
無孔性物質與多孔性物質的差別在於手術後,義眼球周圍的微血管與結締組織容易經由小孔長入,可以良好的固定義眼球,可以使得義眼球的轉動比較好,也不會因為重力導致義眼球往下移位,使下眼瞼變形;缺點也是因為多孔之故,所以表面粗糙,易使結膜受傷導致易眼球脫出(extrusion)與感染。【義眼球脫出】是義眼植入手術術後最不想碰到的難題,這意味著需要二次手術修補,但是在微血管與結締組織已經長入的義眼球要再次施行手術時,會有較高機率發生感染與二次手術後義眼球是否能夠恢復原先功能的情況;術後是否義眼球會發生脫出,主要決定於是否有產生急性或是慢性發炎現象,如義眼球表面粗糙引起慢性結膜發炎、因急性眼球外傷而需施行眼球摘除術者、或是對義眼球產生排斥(生物相容性)與否,都決定日後義眼球是否有較高的機率發生脫出。
目前在多孔物質中最被廣泛使用的有下列三種:
1. Hydroxyapatite(珊瑚): 台灣目前最廣泛使用的義眼材質
2. Porous polyethylene(多孔性聚乙烯)
3. Aluminium Oxide(氧化鋁)
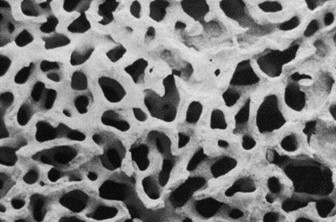
上述三種材料幾乎是同時在1980年代有人使用,但最先進入臨床試驗而被美國食品藥物衛生管理局核准上市者為 Coralline hydroxyapatite(俗稱珊瑚球)。珊瑚本為多孔隙物質,孔徑大小為300-700微米(um),顯微鏡下外觀如下圖

根據美國ASOPRS(American society of ophthalmic plastic and reconstructive surgeons)統計,在2000年以前最常用的義眼球為珊瑚材質,約有占一半的比例,但在2000年以後比例下降至25%。天然珊瑚做成的義眼球(商品名Bio-Eye)成本貴,而且破壞生態,之後有人工合成的珊瑚球(商品名 FCI3),優點是成本下降,而且相對於天然的珊瑚球,容易做義眼球鑽孔,裝上活動凹栓的義眼片後,義眼活動性更好。
珊瑚球的缺點如前述,表面粗糙,易使結膜受傷導致易眼球外露(extrusion)與感染,所以在植入前,需在珊瑚球外包裹一層物質,避免直接接觸結膜,並使得眼肌的附著更佳。這些被使用來包裹的物質,可以是來自人體的組織,如取下的鞏膜(sclera)或是身上的移植皮瓣,像是後耳肌皮瓣(posterior auricular muscle)。如果是人工合成物質,常用的有 1. polyester urethane 聚酯型氨基甲酸酯;2. polytetrafluoroethylene 聚四氟乙烯;3. Vicryl mesh (丙交酯乙交酯共聚酯);4. Dexon mesh(聚乙醇酸)。儘管使用包裹物質,珊瑚義眼球脫出率從目前的動物試驗或是回溯性人體的報告來看,約1.5%到19%不等。
Porous polyethylene(多孔性聚乙烯):
由多孔性聚乙烯做成的義眼球(商品名 Medpor;ePor Incorporated),可謂堅固、具彈性以及容易塑型。相對於珊瑚義眼球,它更便宜而且表面不須包裹一層物質件可以讓眼肌有良好的附著。多孔性聚乙烯也常廣泛使用於義眼脫出後的修補。
Aluminium Oxide(氧化鋁)
這是目前最新的多孔性材質,商品名 Biocceramic Orbital implant,此材質優點是生物相容性較高,所以因為發炎反應導致義眼球脫出的機率較低。
義眼球植入後產生併發症的相關因子
併發症主要是術後義眼球脫出發生,相關因子包括
1.義眼球材質:生物相容性愈高者,日後義眼球脫出率較低
2.義眼球大小:義眼球相較於眼窩過大者,日後容易產生義眼球脫出
3.急性外傷而需施行眼球摘除術者,日後容易產生義眼球脫出
4.於眼球摘除術前的治療,特別是放射線治療會產生局部慢性發炎反應,日後容易產生義眼球脫出
5.義眼球植入手術後發生感染者,日後容易產生義眼球脫出
6.施行的義眼球植入手術的醫師所採用的術式,也有影響
Reference
1. J Craniofac Surg 21: 870-875, 2010
2. Survey Ophthalmology 52:145-155, 2007
3. American society of ocularist: frequently asked question:  http://www.ocularist.org/resources_faqs.asp 
https://www.youtube.com/watch?v=Z9AbfaCmPG8  
www.youtube.com/watch?v=9ZR4W96WYfY